安元
联系我们
品牌AN
参观安元
公司简介
产品
交通标牌膜
标牌打印方案
广告反光膜
安元反光制品
发光夜光膜
服务
下载中心
常见问题
区域服务中心
资讯
全部资讯
安元资讯
行业资讯
EN
EN
EN
安元
产品
服务
资讯
×
首页
>
产品
所有类目
所有类目
+
交通标牌膜
钻石级(国Ⅴ)反光膜
超强级(国Ⅳ)反光膜
高强级(国Ⅲ)反光膜
超工程级(国Ⅱ)反光膜
条纹警示反光膜
交通标牌专用黑膜
PET 微棱镜反光膜(HIP)
PC微棱镜反光膜
PC微棱镜反光膜(EGP)
荧光黄绿国标反光膜
+
标牌打印方案
标牌数码打印专色打印机
标牌数码打印混色打印机
标牌数码打印工业级覆膜机
反光膜数码打印平板切割机
标牌数码打印保护膜覆膜机
反光膜数码打印-国标Ⅳ类反光膜
反光膜数码打印-国标Ⅱ类反光膜
标牌数码打印条纹反光膜
交通数码打印专色油墨
标牌数码打印光学保护膜
+
广告反光膜
平面电镀晶钻级反光膜
无缝平面晶彩格反光膜
无缝条形晶彩格反光膜(EGP)
无缝条形PET反光膜(印刷型)
无缝条形PET反光膜(EGP高亮型)
无缝条形PET反光膜(高亮型)
无缝条形PET反光膜(刻字型)
无缝条形PET反光膜(EGP刻字型)
白色条形反光喷绘膜
点状喷绘反光膜
棱镜型高强级反光膜
高亮条形喷绘反光膜
+
安元反光制品
DOT车贴
ECE反光车贴
SASO反光车贴
线形诱导标反光标识
消防逃生标识
道路施工警示标识
电力设施警示标识
大型客车最高限速标识
货车尾部标识板
货车尾部导向标识
校车轮廓车身贴
海事膜
橙色警示带
+
发光夜光膜
Y5500 夜光反光膜
夜光冷裱膜
PVC 夜光膜(哑面)
PVC 夜光膜(光面)
PET 夜光膜
PMMA 夜光膜
钻石级(国Ⅴ)反光膜
型号
A8500
材质
PMMA(亚克力)
耐候
7-10年
扫码咨询
产品详情
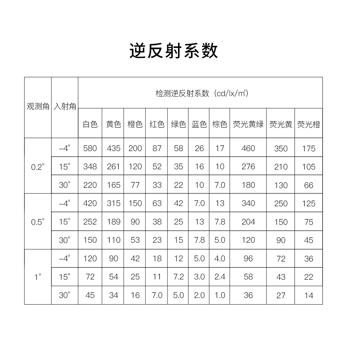
产品参数
使用说明书下载
A8500超强级反光膜使用说明书
适用于国家Ⅴ类超工程级反光膜使用说明
预览
下载
×